GEFRAN杰弗倫PMA12磁阻式位移傳感器
詳情
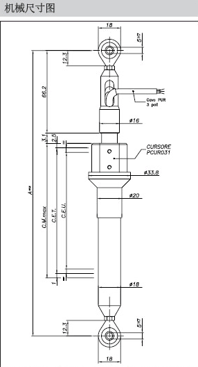
GEFRAN-PMA12磁阻式直線位移傳感器。采用磁阻式設計原理,本事無限次使用壽命,靈敏度0.1mm,重復性僅為0.08mm。意大利GEFRAN PMA12磁阻式直線位移傳感器,防護等級高達IP67,適用于惡略潮濕、高粉塵、室外的等環境使用理想選擇。意大利GEFRAN PMA12磁阻式直線位移傳感器采用拉桿式設計,配以魚眼軸承及磁環附件。GEFRAN PMA12拉桿式位移傳感器獨立線性度為±0.5%FS,量程從50~1000mm可選。位移速度小于5m/s、殼體材料使用不銹鋼材質、最大供電電壓可達60VDC、電阻公差±20%。



更多資料及信息請點擊關鍵詞:杰弗倫傳感器
人才引進
產品分類
Update Required
To play the media you will need to either update your browser to a recent version or update your Flash plugin.